移动式高倍数泡沫灭火装置
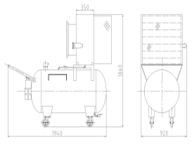
PF4型移动式高倍数泡沫灭火装置是由移动泡沫液储罐、比例混合器、高倍数发生器、车/固定架等 组成。使用时先用水带的一头接在消防车或者消防栓的接头上,把水带的另一头加到发生器的进水口 上,然后打开消火栓,此时水通过水轮机使风轮转动起来,有喷头把混合液喷到发生器的发泡网上,风 轮产生的风力把附着在发泡网上的泡沫液吹成大量的气泡淹没或者覆盖在燃烧物的表面。利用泡沫覆盖 冷却和窒息作用达到灭火目的。
广泛适用于大型天然气站、仓库、汽车库、图书管、液化汽站、档案室、化工车间、客货轮、商 城、酒家、电脑微机房、大型煤场、大型垃圾堆放场等。


该装置使用简单方便,具有发泡量大,灭火能力强、速度快等优点。适用于封闭有限空间内大面积灭火,如飞机库、油库罐区、
化工厂、车间仓库、液化天然气气站等重要场所。


Copyright © 2002-2022 山东泽天消防科技有限公司 版权所有 Powered by EyouCms 备案号:鲁ICP备19017491号-1