PHYM系列压力式比例混合装置PHYM Series Pressure Mixing Device
一、产品简介
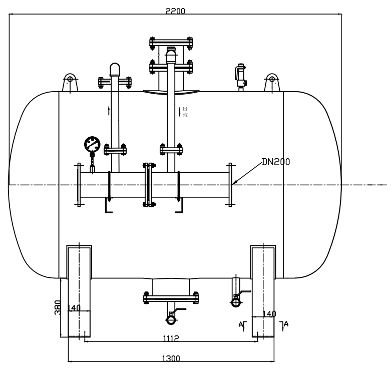
PHYM系列消防泡沫罐由压力罐、胶囊、比例混合器、安全阀、排气阀、压力表、单向阀及各类控制阀及管道组成。由泵组供给压力水,
将泡沫按一定比例置换出来后与压力水混合成泡沫混合液。由于胶囊将泡沫液与水隔开,泡沫液一次没用完,下次可以继续使用且混合精度稳
定、可靠。
当系统管网中的水流经比例混合器减压孔板时,在孔板的前后会形成压差。压高处的一部分水(3%或6%)通过泡沫罐的进水管进入罐内,
挤压胶囊,将胶囊中的泡沫液通过泡沫罐的出液管挤压至比例混合器低压处与水混合形成泡沫混合液,形成的泡沫混合液输出到泡沫产生设备
与空气混合产生泡沫灭火。

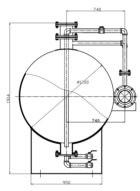
二、装置示意





注∶进水阀,出液阀常开,其余阀门常闭。
订货时∶1、需要注明泡沫液储罐的容积,混合液流量,混合比,压力范围。2、我公司可根据用户需要设计制造特殊规格贮罐压力式比例混合装置。
三、技术参数
卧式压力泡沫比例混合装置性能参数
型号 | 容积(m³) | 最大流量(L/S) | 工作压力(MPa) | 混合比 | 混合液管道口径(mm) | 外形尺寸(mm) | ||
L | W | H | ||||||
PHYM32/10 | 1 | 32 | 0.6-1.2 | 3%-6% | DN100 DN150 DN200 | 1850 | 1350 | 1750 |
PHYM32/15 | 1.5 | 2150 | 1450 | 1850 | ||||
PHYM32/20 | 2 | 2450 | 1550 | 1950 | ||||
PHYM32/30 | 3 | 2750 | 1750 | 2150 | ||||
PHYM48/40 | 4 | 48-64 | 2850 | 1900 | 2350 | |||
PHYM48/50 | 5 | 3350 | 1900 | 2350 | ||||
PHYM64/60 | 6 | 3250 | 2100 | 2550 | ||||
PHYM80/70 | 7 | 100 | 3650 | 2100 | 2550 | |||
PHYM80/80 | 8 | 3450 | 2300 | 2750 | ||||
PHYM80/90 | 9 | 3750 | 2300 | 2850 | ||||
PHYM100/100 | 10 | 4050 | 2300 | 2850 | ||||
立式压力泡沫比例混合装置性能参数
型号 | 容积(m³) | 最大流量(L/S) | 工作压力(MPa) | 混合比 | 混合液管道口径(mm) | 外形尺寸(mm) | ||
L | W | H | ||||||
PHYM32/10 | 1 | 32 | 0.6-1.2
| 3%-6%
| DN100 DN150 | 1400 | 1100 | 1950 |
PHYM32/15 | 1.5 | 1400 | 1100 | 2350 | ||||
PHYM32/20 | 2 | 1500 | 1200 | 2650 | ||||
PHYM32/30 | 3 | 1900 | 1600 | 2250 | ||||


注:可以根据客户要求订做,以上尺寸仅供参考
可根据客户要求提供不锈钢材质设备
使用范围: 广泛用于扑灭甲、乙、丙类液体火灾。是炼油厂、化工厂、油库、油田、油码头、油轮、地下停车库、飞机库、机场及燃油锅炉等场所。
产品特点: 1、安全可靠,操作方便;2、灭火效率高;3、流量范围广。
Copyright © 2002-2022 山东泽天消防科技有限公司 版权所有 Powered by EyouCms 备案号:鲁ICP备19017491号-1